開關類功率放大器的分類介紹
C類功率放大器雖然通過減小晶體管的導通角度,使放大器的效率得以提高,但是由于輸出功率的限制,角度又不能太小,所以C類的實際效率還是上不去。為了提高放大器的效率,必須設法降低晶體管本身的損耗。有從A類到B類到C類的這種減小晶體管導通角度的方法,雖然效率有一定提高,但是輸出功率能力卻不夠。于是提取了新的解決方法,希望在晶體管兩端有電壓的時候沒有電流流過,有電流流過的時候電壓盡量小。這便誕生了開關類的功率放大器,如D類、E類、F類功率放大器,下面對它們進行介紹。
D類 (丁類)功率放大器
根據集電極輸出的電壓為理想方波還是流過集電極的電流為理想方波,能夠將D類功放分成電壓開關型和電流開關型兩種類型的電路。

電流開關型D類功率放大器電路原理圖 電流型D類功率放大器波形

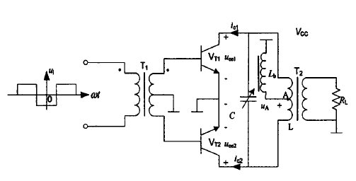
電壓開關型D類功率放大器電路原理圖 電壓開關型D類功率放大器波形
E類(戊類)功率放大器
相比于D類功率放大器,B類功率放大器采用單管放大,它有固定的電路結構,通過選取合適的負載電路參數,使得開關晶體管滿足零電壓開關ZVS條件和零電壓導數開關ZDS條件,從而瞬態響應效果最佳。
這就可以減小在開關狀態轉換之間的功率損耗,克服了D類功率放大器的缺點。E類功率放大器主要有多種不同的拓撲結構,主要差別在于是并聯還是串聯電感或電容。

并聯電容型E類功率放大器原理電路圖 并聯電容型E類功率放大器的波形
F類功率放大器
F類功率放大器由B類過激演化而來,首先從過激勵B類功率放大器介紹,然后再介紹F類功率放大器。正常情況下,B類功率放大器的集電極或者漏極電壓電流波形如圖所示,過激勵B類功率放大器的電流電壓波形圖3.16所示。

B類功率放大器的理想電流電壓波形 過激勵B類功率放大器的電流電壓波形

具有諧波峰化的集總參數F類功率放大器電路原理圖 傳輸線峰化的F類功率放大器電路原理圖
通過以上的介紹,相信您對傳統類高壓功率放大器的分類有了清晰的了解,如果您對Aigtek的產品感興趣的話,歡迎點擊m.qq1e.cn官網了解更多。
原文鏈接:http://m.qq1e.cn/news/302.html


























